警備業法施行規則第66条第1項第4号では警備員の指導計画書を作成し、備え付けておくよう定められています。
このページでは指導計画書の書式や、記載すべき事項等について紹介しています。
書式
指導計画書には定められた書式というのはありませんが、警備業協会が指導する書式というものがありますのでその書式をここではご紹介させていただきます。
もし、業務で使用される場合は、下のリンクからダウンロードしてください。

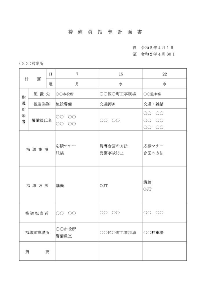
記載すべき事項
指導計画書に記載すべき事項や注意事項は以下の通りです。
- 指導実施予定時期・・・基本は1か月単位で指導計画書を作成してください。
- 実施日・・・指導予定対象者の予定日や曜日を記載してください。
- 指導対象者・・・配置先、担当業務、警備員氏名を記載してください。
- 指導事項・・・指導予定内容を記載してください。実務に沿ったものが好ましいです。
- 指導方法・・・講義の方法や、実技訓練の方法等について記載してください。
- 指導担当者・・・氏名とともに役職や資格も記載すると好ましいです。
- 実施場所・・・指導を実施した場所を明確に記入してください。
- 摘要・・・その他必要な事項を記入します。
指導計画書への記載例を添付しておきますので、参考にしてください。

警備員指導実施簿
警備計画書に併せて、実際に指導した際には警備員指導実施簿を作成し備え付けるようにしましょう。

コメント