警備業法施行規則第66条第第1項第7号では、警備業者に契約先の一覧表を作成し、備え付けておくよう定めてあります。
このページでは「警備契約先一覧表」の書式や記載すべき項目についてご紹介させていただきます。
書式
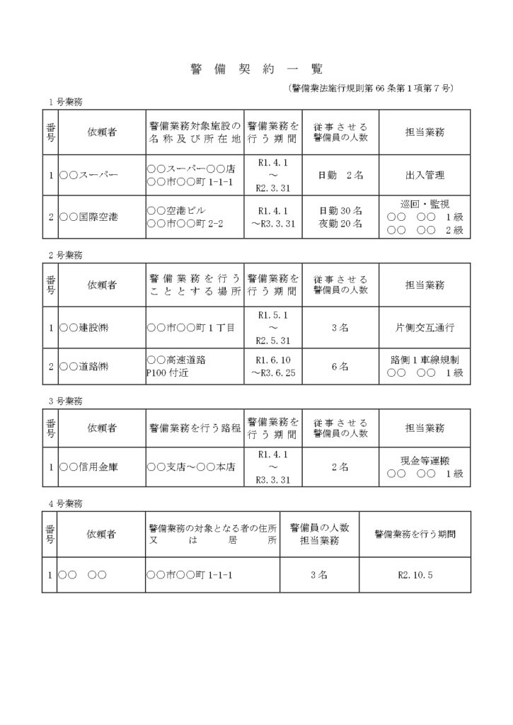
警備契約先一覧の定められた書式はありませんが、ここでは警備業協会が指導する書式をご紹介させていただきます。

実務で使用される場合は、こちらからダウンロードしてください。
また、契約の内容が複雑で、書式例では記載するのが困難な場合は、それらの内容がわかりやすく記載できるように変更しても問題ありません。
記載すべき項目
警備契約先一覧表に記載すべき項目は以下の通りです。
- 当該契約に係る警備業務の依頼者
- 警備業務に従事させる警備員の人数及び担当業務及び警備業務を行う期間
- 当該契約が警備業法第18条の資格者配置を必要とするものである場合には、当該警備業務の種別に係る合格証明書を受けている警備員の氏名
- 当該契約が1号業務である場合は、警備対象施設の名称及び所在地
- 当該契約が2号業務である場合は、警備業務を行うこととする場所
- 当該契約が3号業務である場合は、警備業務を行う路程
- 当該契約が4号業務である場合は、警備業務の対象となる者の住所または居所
警備契約一覧への記載例を紹介しておきますので、参考にしてください。

電磁的方法による保存
警備契約先一覧表は必ずしも紙で保存しておかなければいけないということはありません。PC上でデータとして保管していても問題ありませんが、すぐにプリントアウトできる状態にしておく必要があります。

コメント